Product Summary
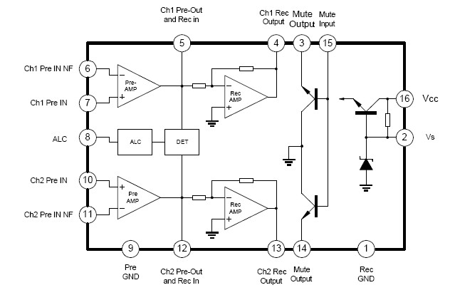
The TA7666P is a dual pre-amplifier. The TA7666P is a dual pre-amplifier with ALC and muting designed for use recorder/playback amplifier of tape recorder. The TA7666P is suitable for a stereo set and a radio cassette recorder.
Parametrics
TA7666P absolute maximum ratings: (1)Supply Voltage : 16 V; (2)Power Dissipation : 750 mW; (3)Operating Temperature : -25 to 75 ℃; (4)Storage Temperature : -55 to 150 ℃.
Features
TA7666P features: (1)Build-in ALC detector circuit; (2)Build-in muting circuit; (3)Wide operating voltage range( 6V to 15V).
Diagrams

| Image | Part No | Mfg | Description | ![]() |
Pricing (USD) |
Quantity | ||||
|---|---|---|---|---|---|---|---|---|---|---|
![]() |
![]() TA7666P |
![]() Other |
![]() |
![]() Data Sheet |
![]() Negotiable |
|
||||
| Image | Part No | Mfg | Description | ![]() |
Pricing (USD) |
Quantity | ||||
![]() |
![]() TA7611AP |
![]() Other |
![]() |
![]() Data Sheet |
![]() Negotiable |
|
||||
![]() |
![]() TA7612AP |
![]() Other |
![]() |
![]() Data Sheet |
![]() Negotiable |
|
||||
![]() |
![]() TA7613AP |
![]() Other |
![]() |
![]() Data Sheet |
![]() Negotiable |
|
||||
![]() |
![]() TA7616P |
![]() Other |
![]() |
![]() Data Sheet |
![]() Negotiable |
|
||||
![]() |
![]() TA7628P |
![]() Other |
![]() |
![]() Data Sheet |
![]() Negotiable |
|
||||
![]() |
![]() TA7630P |
![]() Other |
![]() |
![]() Data Sheet |
![]() Negotiable |
|
||||
(China (Mainland))










