Product Summary
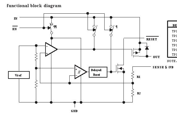
The TPS7333QDR device is a member of a family of micropower low-dropout (LDO) voltage regulators. It is differentiated from the TPS71xx and TPS72xx LDOs by their integrated delayed microprocessor-reset function. If the precision delayed reset is not required, the TPS71xx and TPS72xx should be considered.
Parametrics
Absolute maximum ratings: (1)Input voltage range, VI, RESET, SENSE, EN: –0.3 V to 11 V; (2)Output current, IO: 2 A; (3)Continuous total power dissipation; (4)Operating virtual junction temperature range, TJ: –55℃ to 150℃; (5)Storage temperature range, Tstg: –65℃ to 150℃; (6)Lead temperature 1,6 mm (1/16 inch) from case for 10 seconds: 260℃.
Features
Features: (1)Available in 2.5 V, 3 V, 3.3 V, 4.85 V, and 5 V Fixed-Output and Adjustable Versions; (2)Integrated Precision Supply-Voltage Supervisor Monitoring Regulator Output Voltage; (3)Active-Low Reset Signal with 200-ms Pulse Width; (4)Very Low Dropout Voltage: Maximum of 35 mV at IO = 100 mA (TPS7350); (5)Low Quiescent Current - Independent of Load: 340 μA Typ; (6)Extremely Low Sleep-State Current, 0.5 μA Max.
Diagrams


| Image | Part No | Mfg | Description | ![]() |
Pricing (USD) |
Quantity | ||||||||||||
|---|---|---|---|---|---|---|---|---|---|---|---|---|---|---|---|---|---|---|
![]() |
![]() TPS7333QDR |
![]() Texas Instruments |
![]() Low Dropout (LDO) Regulators Lowest Dropout PMOS |
![]() Data Sheet |
![]()
|
|
||||||||||||
![]() |
![]() TPS7333QDRG4 |
![]() Texas Instruments |
![]() Low Dropout (LDO) Regulators Lowest Dropout PMOS |
![]() Data Sheet |
![]()
|
|
||||||||||||
(China (Mainland))









