Product Summary
The BCR402U is a cost efficient LED driver to drive low power LED’s.
Parametrics
Absolute maximum ratings: (1)Supply voltage: 40 V; (2)Output current: 65 mA; (3)Output voltage: 38 V; (4)Reverse voltage between all terminals: 0.5; (5)Total power dissipation, TS = 125 ℃: 750 mW; (6)Junction temperature: 150 ℃; (7)Storage temperature: -65 to 150 ℃.
Features
Features: (1)LED drive current of 20mA; (2)Output current adjustable up to 65mA with external resistor; (3)Supply voltage up to 40V; (4)Easy paralleling of drivers to increase current; (5)Low voltage overhead of 1.4V; (6)High current accuracy at supply voltage variation; (7)No EMI; (8)High power dissipation of 750mW; (9)Reduced output current at higher temperatures - Negative thermal coefficient of -0.2% / K; (10)RoHS compliant (pb-free) small and robust SC-74 package; (11)Qualified according to AEC Q101.
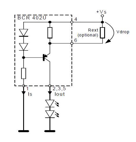
Diagrams

| Image | Part No | Mfg | Description | ![]() |
Pricing (USD) |
Quantity | ||||||||||
|---|---|---|---|---|---|---|---|---|---|---|---|---|---|---|---|---|
![]() |
![]() BCR402UE6327 |
![]() Infineon Technologies (VA) |
![]() IC LED DRIVER 40V 65MA SC-74 |
![]() Data Sheet |
![]()
|
|
||||||||||
![]() |
![]() BCR402U E6327 |
![]() Other |
![]() |
![]() Data Sheet |
![]() Negotiable |
|
||||||||||
![]() |
![]() BCR402U |
![]() Other |
![]() |
![]() Data Sheet |
![]() Negotiable |
|
||||||||||
(China (Mainland))










